一、項目背景
由于公司電網電壓波動,低壓電動機及變頻器由于受到外部電網波動,導致非計劃停機,對公司正常生產、科研及項目造成極大影響。經過查找原因分析,發現電網晃電幅度和時間均超過接觸器線圈保持電壓的范圍和時限,致使接觸器欠壓釋放,變頻器對電壓較為敏感,電壓跌落80%以下低電壓保護功能動作,變頻器報低電壓故障而使變頻器停止運行。
作為一家連續型生產企業,由于受到晃電現象的影響,伴隨電網電壓暫降,超過大約80毫秒的電壓暫降會引起各類高低壓電動機及變頻器設備報警并非計劃停機,對公司正常生產、科研及項目造成極大影響,生產的中斷不僅會使產能下降,還會影響產品品質,造成高額的經濟損失。更嚴重的是有可能發生人身安全事故。
通過和客戶詳細的溝通,分析了客戶目前的一次供電系統圖,整體了解了企業的供電現狀和需求,因現場高壓容量等問題,無法進行無擾動切換,現只針對低壓做抗晃電解決方案(停電或手動倒閘不在此方案內)。
二、需求分析
1、晃電現象的危害
電力系統在運行過程中,由于外部線路受到雷擊、瞬時短路等故障造成企業內部電網相鄰線路短路故障、大型或大批電動機起動等原因,造成電壓瞬間較大幅度波動后恢復,這種現象通常稱為晃電,持續時間0.5個周期到最長1分鐘,幅值下降至標稱電壓的90%-10%。
晃電發生時,會對生產工藝和現場設備造成一系列的危害:
電壓暫降幅度過大或持續時間過長,會使電動機、變頻器、軟啟動器等設備停機,造成生產中斷,產生諸如安全、環保、廢品、原料浪費、產量降低等一系列損失;
晃電恢復期間,對大批電機的重起動,還會對電機再次造成大電流的沖擊,危及設備和人身的安全;
2、需求闡述
低壓側
在低壓負載側,掛載有大量的電動機類負荷和變頻器,其中有些設備是生產工藝中的關鍵環節,通常,400V低壓系統中的電動機控制回路是接觸器控制回路,一般交流繼電器當電壓低于線圈額定電壓的50%,時間超過20ms時接觸器釋放;當電壓低于80%甚至更高,持續五個周波時接觸器也釋放,造成低壓電動機失電停機。而對于變頻器,一般都具有過壓、失壓、過流及瞬時停電等多種保護功能,當遭遇“晃電”時電源電壓下降到額定電壓的70%或失電,變頻器低電壓保護動作關閉變頻器輸出,電動機處于慣性停車狀態。由于變頻器運行指令繼電器也因“晃電”而釋放,電源恢復正常后變頻器因沒有運行指令而無法激活瞬間停電再啟動功能,需人工復位解除低電壓故障才能重啟變頻器,導致正常生產被迫中斷。當高壓側快切方案在極端情況下,未能實現快速切換,而是通過同期或殘壓方式切換時,切換時間可能會延長到200-300ms,控制回路有釋放風險,所以需要配置相應的補充措施提高其可靠性。
為了解決關鍵設備停機問題,在設計改造方案時,需要綜合考慮以下需求:
1. 當電源失電后,控制回路釋放,為了保證生產工藝不中斷,在電源瞬時恢復時對已釋放的電氣元件立即自動重合,使其迅速恢復連續性生產。
2. 整個生產工藝流程是通過DCS分布式控制系統控制,各節點設備之間存在相互關聯性,當設備停機后,仍需要與DCS保持正常通信,避免造成連鎖停機。
3. 針對重要設備的補充措施屬于分布式治理方案,現場配置數量較多,需要綜合考慮成本投入、安裝空間、安裝便捷性。
4. 大量電機一起重新起動,存在產生起動沖擊電流的風險,改造方案中要考慮增加相應功能避免這種風險。
5. 改造方案要考慮不增加新的故障點風險,不改變原有控制回路。
三、方案概述
方案的理念是從配電網系統的整體考慮,立足從源頭解決問題,對于電網造成的晃電治理,有兩種方式,一種在電源端解決,即當外電源波動時提供連續輸出的穩定電源,用以保證所帶負荷的正常工作電壓。一種在負載控制端解決,即當外電源晃電時敏感性電氣元件釋放后,在電源瞬時恢復時對已釋放的電氣元件立即自動重合,使其迅速恢復連續性生產。
目前先在負載控制端分布解決,即當電源晃電時,配置的方案通過對負載控制回路的保持與重起或是通過對動力回路的電壓補償,實現設備的工作連續性。比如UPS電源、低電壓穿越、馬達保護器輔助功能、抗晃電模塊。
> UPS電源:通過串聯UPS電源,保證負載在晃電時供電連續,正常工作,在線式UPS切換時間短,滿足要求。由于是采用串接方式,首先會增加故障風險,另外,電源支撐裝置的容量需與實際所帶的負荷容量匹配,特別是對于大功率設備,造價太高,安裝位置較為分散,數量較多,這樣核算下來投入總成本巨大,而且用于儲能的蓄電池,對環境要求高,需要定期更換,后續維護成本也很高。
> 低電壓穿越裝置:主要針對變頻器設備,當晃電發生,裝置通過內部BOOST升壓模塊,對變頻器直流母線進行補償,維持變頻器正常工作。此方案成本也較高,只針對生產工藝中關鍵的變頻器節點。
> 馬達保護器輔助功能:裝置以保護功能為主,抗晃電功能為輔助功能,只是以繼電器信號開出為存在,馬達保護內部無儲能電源,發生晃電后裝置無法正常工作,此時與DCS的傳輸信號(如:運行、故障等信號)容易丟失。當控制回路再來電后,馬達保護需要對停電前的工況進行判斷,是否能夠再次起動電機,判斷時間過長,無法對電機的再起時間進行控制。對于變頻器無法實現再起。
> 抗晃電模塊:晃電發生時,通過內部超級電容保證模塊正常工作,恢復供電后,通過內部繼電器吸合,分批自動再起動電機、變頻、軟啟動。體積小巧,磁吸結構,安裝方便。
綜合考慮客戶實際需求,從抗晃電效果、安全可靠性、投入成本、產品結構、改造便捷性等多方面綜合評估,給出了DCM-621KH抗晃電模塊的整體解決方案。
市場上抗晃電模塊有兩種方式,分別為儲能保持式和儲能再起式。儲能保持式的原理即在給接觸器提供直流或交流的輔助電源,當電網晃電時保持接觸器線圈持續的吸合電壓,使接觸器線圈不釋放,當電壓恢復時接觸器主回路保持連通狀態,則電動機因接觸器線圈吸合得電而繼續保持運行狀態。而儲能再起式的原理是晃電時保持接觸器的啟動指令,不保持接觸器的線圈,則接觸器會因晃電而欠壓釋放,當電壓瞬時恢復時由于接觸器啟動回路為閉鎖狀態,則接觸器線圈得電而吸合,同時自保持接點閉合,電動機因得電而再加速運行。
通過我司對客戶選擇和市場使用狀況的深入了解,對兩種方式做了比較和調研,認為儲能再起式較為安全、可靠、實用,原因列表如下:

由于晃電的時間一般在100ms左右,所要治理的抗晃電負載基本為風機、泵類變轉矩負載,即有一定慣性,當接觸器、變頻器因晃電而釋放后,風機和水泵仍維持較高的轉速處于高慣性之中,當電源瞬時恢復后,儲能再起式抗晃電裝置使接觸器自動重合,電動機在高轉速下再加速運行對工藝影響不大,同時這種控制方式對原系統的接線和控制方式沒有任何改動,由于采用并聯控制方式,即使本身設備故障也不會影響原有系統的正常運行,這是最大的使用優勢,即不會因解決一個小概率暫態事件而對原來的穩態系統產生影響。
儲能保持式抗晃電方式由于采用串接方式,利用儲能電容放電的方式維持接觸器的吸合電壓值,這樣增加了故障的幾率,一旦抗晃電設備出現故障也會導致原有設備非計劃停機。還有由于晃電時保持接觸器線圈不釋放,對接觸器的物理結構會有影響,對接觸器動靜觸頭頻繁分合閘的壽命有影響。
基于以上情況的分析和調研,采用儲能再起式抗晃電技術較為符合和實用。
四、方案實施
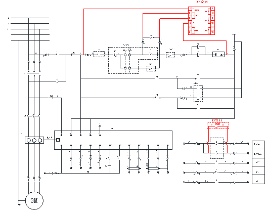
1、直起式電動機
模塊工作原理為,通過采集負載的工作電源、接觸器線圈電壓以及控制回路電壓形成復合判據,起動結束后延時5秒進入抗晃待機模式,當接觸器位置信號發生了變化時,內部超級電容系統自動投入,系統開始計時,在設定的最長晃電時間內,如果系統自動恢復了供電,經再起動延時起動電機,恢復晃電前正常工況,從而保證生產正常進行。
根據以往大量的改造經驗,結合客戶實際電機二次回路,配置DCM621KH抗晃模塊,方案圖如下:

端子1和端子4為控制電源L和N,取接觸器控制回路的控制電源;電動機再起動控制器的工作電源及檢測電壓輸入。
端子2和端子3為接觸器狀態反饋信號及再起開出,并聯接在起動回路當中;檢測并判斷接觸器的停止與運行的不同狀態,以及在晃電后對接觸器的再次起動。
端子7和端子8為運行信號,并聯在DCS采集的運行信號回路中,當晃電發生時,信號出口閉合反饋DCS,防止DCS因晃電而跳閘,回路再起后信號出口返回。
低壓電動機回路依據“持續生產、分批改造”的思路,進行分批改造。
預計改造時間:直起式電機每抽屜約30分鐘。
改造完成后預期達到的效果簡述如下:
正常工作時,當手動或遠程起動電機后,KM線圈得電,KM接觸器吸合, DCM621KH檢測到KM吸合狀態,開始充電,5S充電結束后,進入抗晃待機模式,晃電發生后,電壓暫降,KM主動釋放,電機停機,DCM621KH內部超級電容自動投入,為抗晃電模塊正常供電,系統開始計時,在設定的最長晃電時間內(最長9秒),如果系統自動恢復了供電,經再起動延時,裝置RS繼電器吸合,自動再起動電機,恢復晃電前的正常工況。
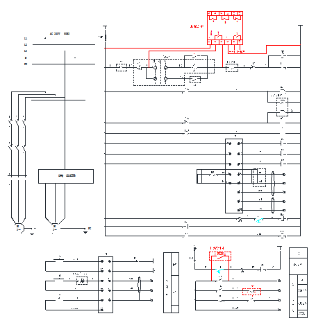
2、變頻式電動機
配置DCM621KH抗晃模塊,方案圖如下:

端子1和端子4為控制電源L和N,取變頻器控制回路的控制電源;電動機再起動控制器的工作電源及檢測電壓輸入。
端子2和端子3為接觸器狀態反饋信號及再起開出,并聯接在起動回路當中;檢測并判斷接觸器的停止與運行的不同狀態,以及在晃電后對接觸器的再次起動。
端子7和端子8為運行信號,并聯在DCS采集的運行信號回路中,當晃電發生時,信號出口閉合反饋DCS,防止DCS因檢測到接觸器斷開而發出停機命令,回路再起后信號出口返回。
端子9和端子10為復歸信號,并聯在DCS復歸信號回路中,當晃電發生時,變頻器因晃電告警,此時需先復歸變頻器才能再次起動。
端子11和端子12為報警信號,串聯在DCS采集的報警信號回路中,當晃電發生時,信號出口斷開,防止DCS因檢測到變頻器故障信號而發出停機命令,回路再起后信號出口返回。
預計改造時間:變頻器每回路約1小時。
改造完成后預期達到的效果簡述如下:
正常工作時,當手動或遠程起動變頻器后,1KA1線圈得電,1KA1接觸器吸合,DCM621KH檢測到1KA1吸合狀態,開始充電,5S充電結束后,進入抗晃待機模式,晃電發生后,電壓暫降,1KA1主動釋放,變頻器停機,DCM621KH的AL繼電器打開,閉鎖“變頻器故障閉鎖信號”輸出,DCM621KH內部超級電容自動投入,為抗晃電模塊正常供電,系統開始計時,在設定的最長晃電時間內(最長9秒),如果系統自動恢復了供電,裝置RE復位繼電器閉合,復位變頻器故障,經再起動延時,裝置RS繼電器吸合,自動再起動變頻器,恢復晃電前的正常工況。
五、主要特點及基本參數
1、主要特點
> 磁吸安裝,可靠靈活;
> 接插端子,維護便捷;
> 脈沖起動,節能可靠;
> 晃電時間最長達10S,且易修改;
> 再起動延時可修改,利于分批多電機環境;
> 電壓波動未引起接觸器釋放,不會對抗晃模塊產生影響。
2、基本參數
> 系統功耗: 1W
> 安裝方式: 磁吸式
> 外型尺寸: 64mm*47mm*96mm(寬*高*深)
> 產品凈重: 約300克
> 適用電壓 : AC220V(可定制)
> 起動節點容量: 常開,5A 440Vac/300Vdc
> RUN信號容量:常開,超時返回,5A 250Vac/30Vdc
> 最大晃電時間:0-9s可調,步進1S,0時模塊退出。
> 再起延時:0-1S 連續可調,步進0.1S
> 適用回路:直接起動、變頻器、軟起動
六、外觀及安裝
需要對現場進行方案勘察,對現場電動機的運行環境進行探討,確保抗晃方案改造后的效果。DCM621KH產品體積小,磁吸式安裝方式(如圖1,圖2),現場安裝方便。

